Product Details

SG12864E

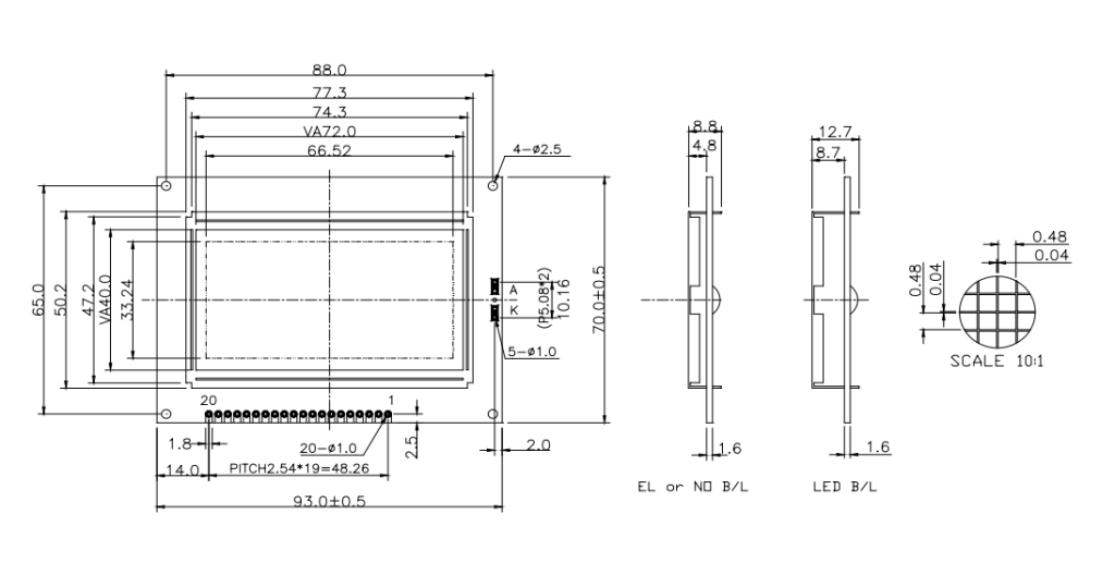
  • Model:SG12864E Graphic Display
  • Specification:128x64 Graphic, built-in controller (ST7920 or equivalent) 1/32 Duty Cycle, 8-bit parallel interface

Product Introduction

SG12864E is a 128x64 graphic LCD display run by 128*64 dots( or 8x4 characters,) and has various color options of LCD, LED backlight.

● LCD: STN/ FSTN, reflective/ transflective/ transmissive, etc.
● Backlight: None, yellow-green, blue, white, etc.
● View Angle: 6:00, 12:00.
● Temp. Range: General, wide, super wide.

Product Notes

For detailed specification of LCD Module, TFT- LCD, Touch Panel, OLED Display, LED Module, feel free to contact us.
⇒ QUOTE DISPLAY NOW

 

Related Products